Phân tích chi tiết các thành phần trong đồng hồ thông minh trẻ em
Phân tích chi tiết các thành phần trong đồng hồ thông minh trẻ em .
1. Tổng quan kiến trúc phần cứng
Đồng hồ thông minh trẻ em về bản chất là một thiết bị IoT di động thu nhỏ, tích hợp đầy đủ các khối chức năng của một smartphone: xử lý trung tâm, nguồn, RF – di động, GPS, hiển thị, âm thanh, cảm biến và pin sạc. Trên sơ đồ mạch, các khối này được tổ chức xoay quanh SoC Spreadtrum SC9820E và PMU SC2721, tạo thành một hệ thống hoàn chỉnh.
Việc hiểu rõ từng khối giúp:
Khoanh vùng lỗi nhanh khi sửa chữa
Đánh giá mức độ hư hỏng (nguồn – RF – CPU – ngoại vi)
Tránh thay linh kiện sai hoặc làm chết IC chính
2. Khối xử lý trung tâm (Baseband / Application Processor)
2.1 IC xử lý chính – SC9820E
SC9820E là SoC tích hợp:
CPU ARM
Baseband GSM/WCDMA/LTE
GPU, ISP
Giao tiếp camera, LCD, audio, USB, SIM, SD
Trong đồng hồ trẻ em, IC này đảm nhiệm:
Xử lý hệ điều hành (RTOS / Android Go rút gọn)
Điều khiển màn hình, cảm ứng
Xử lý dữ liệu GPS, 4G, thoại, video call
Giao tiếp với bộ nhớ và ngoại vi
Các nhóm chân quan trọng trên sơ đồ:
EMMC / NAND / LPDDR: kết nối bộ nhớ
USB_DP / USB_DM: sạc và nạp firmware
SIM0 / SIM1: giao tiếp SIM
MCSI / CAM: camera
LCM / SPI / LVDS: màn hình
UART / JTAG: debug, nạp boot
👉 Khi đồng hồ không lên nguồn, treo logo, mất IMEI, SC9820E và vùng boot là khu vực cần ưu tiên kiểm tra.
3. Khối bộ nhớ (Memory Subsystem)
3.1 eMMC / NAND Flash
Đây là nơi lưu:
Firmware hệ thống
IMEI, cấu hình mạng
Dữ liệu người dùng
Trên sơ đồ có hai cấu hình:
eMCP (eMMC + LPDDR tích hợp) – phổ biến
NAND + LPDDR rời – ít gặp hơn
Dấu hiệu lỗi bộ nhớ:
Treo logo
Reset liên tục
Không nhận cổng USB khi nạp
Lỗi "Invalid IMEI" hoặc mất sóng
👉 Khi sửa Wonlex, lỗi bộ nhớ chiếm tỷ lệ khá cao do sụt áp hoặc update lỗi.
4. Khối quản lý nguồn (PMU – Power Management Unit)
4.1 IC nguồn chính – SC2721
SC2721 là trái tim của toàn bộ hệ thống nguồn, chịu trách nhiệm:
Nhận điện từ pin (VBAT)
Tạo ra hàng chục đường áp khác nhau
Sạc pin, đo dung lượng pin
Bảo vệ quá áp, quá dòng
4.2 Các đường nguồn quan trọng
Đường nguồn Cấp cho Triệu chứng khi lỗi
VDDCORE CPU core Treo logo, không chạy
VDDARM ARM Không boot
VDDMEM RAM Reset, đen màn
VDDRF RF Mất sóng
VDDSIM SIM Không nhận SIM
VDDUSB USB Không sạc, không kết nối
4.3 Cuộn cảm – tụ lọc – hồi tiếp
Cuộn cảm (Lxxxx): dùng cho DCDC
Tụ gốm (Cxxxx): lọc nhiễu, ổn định áp
Chân FB / FB_N: hồi tiếp điều chỉnh điện áp
👉 80% lỗi không lên nguồn nằm ở PMU, cuộn cảm hoặc chập tụ nguồn.
5. Khối sạc pin và đo pin
5.1 Pin Li-ion 3.7V
Pin cấp nguồn trực tiếp cho PMU thông qua VBAT.
5.2 Các mạch liên quan
BATDET / BAT_TEMP: nhận diện pin, đo nhiệt độ
ISENSE / SENSE_P-N: đo dòng sạc/xả
VCHG / CC1 / CC2: mạch sạc Type-C
Lỗi thường gặp:
Sạc không vào
Báo pin ảo
Sạc nóng, nhanh chai pin
6. Khối RF – Sóng di động
6.1 Transceiver + PA
Hệ RF gồm:
Transceiver tích hợp trong SoC
PA (Power Amplifier) ngoài
RF Switch
SAW Filter cho từng band
Đồng hồ hỗ trợ nhiều băng tần:
GSM
WCDMA
LTE TDD/FDD
6.2 Anten
Anten thường là:
Anten FPC
Anten in trên dây đeo
Lỗi sóng phổ biến:
Mất sóng hoàn toàn
Sóng yếu
Gọi không nghe
👉 Phần RF rất nhạy nhiệt, tuyệt đối hạn chế khò mạnh.
7. Khối GPS
Khối GPS bao gồm:
LNA (khuếch đại nhiễu thấp)
Anten GPS
Đường RF riêng
Nếu GPS lỗi:
Không định vị
Lệch vị trí
Bắt rất chậm
Thường do:
Anten kém
Nguồn GPS (VDDRF) không ổn định
8. Khối hiển thị và cảm ứng
8.1 Màn hình (LCM)
Giao tiếp SPI hoặc LVDS
Có đèn nền LED riêng
8.2 Cảm ứng (CTP)
Giao tiếp I2C
Có INT và RST riêng
Lỗi thường gặp:
Có hình không cảm ứng
Mất đèn nền
Trắng màn
9. Camera
Camera trước (một số mẫu có camera cạnh)
Giao tiếp MIPI CSI
Camera dùng cho:
Video call
Chụp ảnh từ xa
Lỗi hay gặp:
Không mở được camera
Đen màn camera
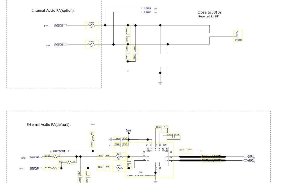
10. Âm thanh: Mic – Loa
10.1 Micro
MIC_P / MIC_N
Có MIC_BIAS từ PMU
10.2 Loa và Audio PA
IC khuếch đại âm thanh rời
Cấp nguồn trực tiếp từ VBAT
Lỗi phổ biến:
Không nghe – không nói
Loa rè
Mất mic
11. Các cảm biến và ngoại vi khác
Cảm biến Hall (đóng/mở dây)
Nút nguồn, nút SOS
Rung (Vibrator)
Đèn LED
12. Kết luận
Sơ đồ mạch đồng hồ thông minh trẻ em cho thấy đây là một hệ thống rất phức tạp nhưng có tính module rõ ràng. Khi sửa chữa, cần tư duy theo khối:
1. Kiểm tra nguồn → PMU → VBAT
2. Kiểm tra boot → bộ nhớ → CPU
3. Kiểm tra sóng → RF → anten
4. Kiểm tra ngoại vi → màn, mic, loa, camera
Việc hiểu sơ đồ không chỉ giúp sửa chính xác mà còn tránh rủi ro chết IC chính, đặc biệt với các dòng Wonlex.
Read More
0
Categories:
Đồng hồ thông minh trẻ em